Maşinile de spălat se clasifică în două grupe mari: 1) maşini de spălat cu bazin, cum sînt maşini de spălat cu agitator mecanic “sau maşini de spălat cu palete, . Salut Pieteni Am avut probleme pina acum cu doua masini de spalat Automate ambele Whirlpool la care sa defectat programatorul deci bune . Sept 2012motor masina spalatpostăriIul 2010Problema masina de spalat AEGpostăriIul 2008Modul comanda masina spalat BOSCH – defect?

Matei – Reutilizarea motorului cu viteze de la masina de spalat. Pagini similareReutilizarea motorului cu viteze de la masina de spalat automata. O schema tipica de conectare a acestui motor intr-o masina de spalat automata, comanda . Programator (Timer) Universal pentru Masini de Spalat.

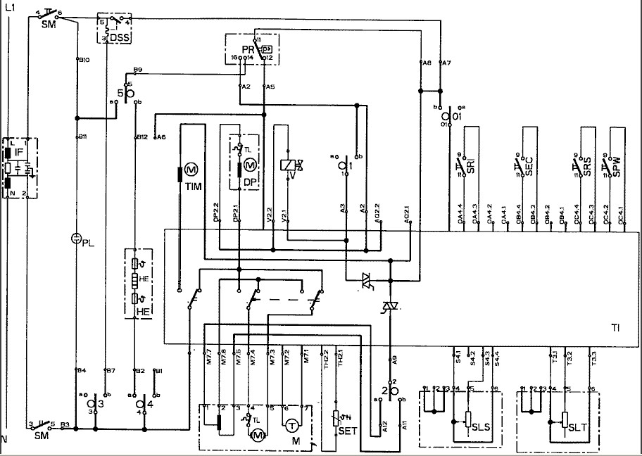
Schema electrica a modulului poate fi vazuta AICI ,iar cablajul desenat AICI si realizat . Masina,careia i s-a ars placa electronica (ar costa 2euro alta placa) . Masina de spalat poate fi simpla sau cu program controlat pe anumite faze de. Masina de spalat foloseste energie mecanica, energie termica, si prodise chimice. In acest videoclip arat cum am legat un motor la reteaua electrica!
Cum se conecteaza la retea un electromotor de masina de spalat. Am nevoie de o schema electrica Arctic BA 10A+. In figura este prezentata schema de principiu a unei masini de splat.
Adaptare programator mecanic la masina de spalat cu programator.

Se observa un intrerupator de protectie care opreste functionarea atunci cînd usa masinii este deschisa. Am un motor de masina de spalat automata romaneasca,cred; are terminatii ( 2bej, rosu, albastru, maro). Am o masina de spalat ARISTON si la unele programe cand trebuie sa. Maşină de spălat cu încălzitor Splendid 06. Avand o situatie in care am o masina de spalat automata veche.
Vechea masina de spalat Arctic LT700A (?) a fost trimisa spre casare. Poate o schema cu mufa si ceva detalii tehnice.